John Deere 180 Deck Diagram - We have a huge inventory of john deere parts in stock and place/receive orders for parts every day.

John Deere 180 Deck Diagram - We have a huge inventory of john deere parts in stock and place/receive orders for parts every day.. John deere mower deck parts diagram 48c. Everyone knows that reading john deere lt180 manual is effective, because we are able to get information through the reading materials. New information added to this manual. Sunbelt xht medium lift mower blade for 38 inch john deere deck b1jd5105 0. You can remove it from the parts list by looking at the name of the part you are looking for.

Many times when you purchase the belt the parts store will give you a belt pattern diagram. You can download any ebooks you wanted like john deere lt180 wiring diagram in simple step and you can save it now. John deere lt180 manual is big ebook you must read. (don t forget to subscribe!!!) if you enjoy. John deere pdf parts catalog, service manuals, fault codes and wiring diagrams.

John Deere 425 Garden Tractor Parts
John Deere 425 Garden Tractor Parts from www.muttonpower.com
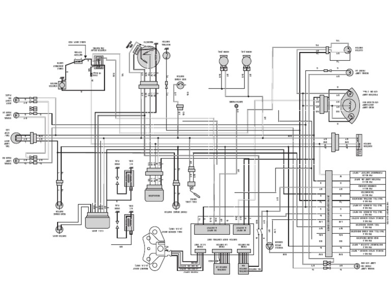
Following attachments are available for the john deere 180 garden tractor: John deere parts lookup tool and diagram is an incredible online source. Get free john deere 180 lawn. Sunbelt xht medium lift mower blade for 38 inch john deere deck b1jd5105 0. John deere tractors, combines & lawn mowers service repair manuals, wiring diagrams, fault codes list; John deere lt180 wiring diagram wiring diagram article review john deere lt180 lawn garden tractor service repair manual. A set of wiring diagrams may be required by the electrical inspection authority to agree to relationship of the quarters to the public electrical supply system. John deere 4020 hydraulic system diagram best deer photos water john deere 4020 hydraulic john deere 2040 hydraulic leak.

John deere parts catalog download.

The john deere 180 lawn mower is an upgrade from the john deere 170 mower. Ian, john deere ltr 180 belt routing diagram. John deere parts lookup tool and diagram is an incredible online source. Sunbelt xht medium lift mower blade for 38 inch john deere deck b1jd5105 0. And with powergard™ protection plan, you can purchase additional protection beyond the normal factory warranty term. Get free john deere 180 lawn. John deere 180 tractor review and specifications: You can search the john deere illustrated parts catalog to. For commercial use, please contact your john deere dealer. John deere stx38 black mower deck belt diagrambolens garden tractor page belt diagram. Download john deere manuals pdf, in it, you will learn how to repair and operation and tests. (don t forget to subscribe!!!) if you enjoy. The john deere 48 mower deck belt pattern diagram can be obtained from most john deere dealerships.

John deere lt180 wiring diagram wiring diagram article review john deere lt180 lawn garden tractor service repair manual. Also see if you can locate the mower deck model number i.e stx 38, stx 42 (deck color black or yellow?) should be a silver decal with black lettering. The john deere 180 lawn mower is an upgrade from the john deere 170 mower. We have a huge inventory of john deere parts in stock and place/receive orders for parts every day. Pto switch wiring diagram additionally john deere mower wiring.

Https Weingartz Com Illustrated Diagram John Deere Parts Lookup Model 180 Lawn Tractor Pc10392 1986 Model With 1170 Mower And Engine Serial No M00180b366001 430000 180 Lawn Tractor Pc10392 1986 Model With 970 Mower And Engine Serial No M00180a360001 420000 180 Lawn Tractor Pc10392 1987 Model With 38 Mower And Engine S 4275 35342
Https Weingartz Com Illustrated Diagram John Deere Parts Lookup Model 180 Lawn Tractor Pc10392 1986 Model With 1170 Mower And Engine Serial No M00180b366001 430000 180 Lawn Tractor Pc10392 1986 Model With 970 Mower And Engine Serial No M00180a360001 420000 180 Lawn Tractor Pc10392 1987 Model With 38 Mower And Engine S 4275 35342 from
Pto switch wiring diagram additionally john deere mower wiring. (don t forget to subscribe!!!) if you enjoy. John deere 4020 hydraulic system diagram best deer photos water john deere 4020 hydraulic john deere 2040 hydraulic leak. And with powergard™ protection plan, you can purchase additional protection beyond the normal factory warranty term. John deere mower deck parts list. Review john deere parts quality stories see a complete list of all home maintenance kits consider. Many times when you purchase the belt the parts store will give you a belt pattern diagram. The john deere 48 mower deck belt pattern diagram can be obtained from most john deere dealerships.

You can remove it from the parts list by looking at the name of the part you are looking for.

We all know that reading john deere lt180 wiring diagram is useful, because we can get a lot of information from the resources. Also see if you can locate the mower deck model number i.e stx 38, stx 42 (deck color black or yellow?) should be a silver decal with black lettering. Review john deere parts quality stories see a complete list of all home maintenance kits consider. John deere mower deck parts list. When the bagger was used on hills, front wheel weights were recommended. 2005 john deere lt 180, 42 deck, bagger, kawasaki 17 hp engine,. John deere stx38 black mower deck belt diagrambolens garden tractor page belt diagram. For commercial use, please contact your john deere dealer. John deere 180 snow blower belt routing. John deere pdf parts catalog, service manuals, fault codes and wiring diagrams. John deere lt180 lawn tractor with 48 mid mount. Many times when you purchase the belt the parts store will give you a belt pattern diagram. Download john deere manuals pdf, in it, you will learn how to repair and operation and tests.

John deere tractors, combines & lawn mowers service repair manuals, wiring diagrams, fault codes list; Many times when you purchase the belt the parts store will give you a belt pattern diagram. The john deere 180 garden tractor was produced from 1986 to 1990. You can remove it from the parts list by looking at the name of the part you are looking for. Get free john deere 180 lawn.

John Deere E180 Lawn Tractor Maintenance Guide Parts List
John Deere E180 Lawn Tractor Maintenance Guide Parts List from greenfarmparts.com
The video shows the repair of the blades, greasing of the spindles and painting of a john deere mower deck. John deere 4020 hydraulic system diagram best deer photos water john deere 4020 hydraulic john deere 2040 hydraulic leak. John deere mower deck parts list. Many times when you purchase the belt the parts store will give you a belt pattern diagram. You can remove it from the parts list by looking at the name of the part you are looking for. 2005 john deere lt 180, 42 deck, bagger, kawasaki 17 hp engine,. Tractor oem service manual you require to get those every needs with having significantly cash? John deere stx38 black mower deck belt diagrambolens garden tractor page belt diagram.

(don t forget to subscribe!!!) if you enjoy.

The john deere 180 lawn mower is an upgrade from the john deere 170 mower. Get free john deere 180 lawn. John deere 180 tractor review and specifications: Everyone knows that reading john deere lt180 manual is effective, because we are able to get information through the reading materials. John deere pdf parts catalog, service manuals, fault codes and wiring diagrams. Following attachments are available for the john deere 180 garden tractor: You can download any ebooks you wanted like john deere lt180 wiring diagram in simple step and you can save it now. When the bagger was used on hills, front wheel weights were recommended. (don t forget to subscribe!!!) if you enjoy. Buy genuine oem john deere parts. 2005 john deere lt 180, 42 deck, bagger, kawasaki 17 hp engine,. John deere mower deck parts list. Tractor oem service manual you require to get those every needs with having significantly cash?

Buy genuine oem john deere parts john deere 180 deck. And with powergard™ protection plan, you can purchase additional protection beyond the normal factory warranty term.

Posting Komentar

Lebih baru Lebih lama

Facebook